🚀 02 Nissan Altima Crankshaft Sensor Wiring Diagram: Unveiling the Engine's Power Circuit

02 Nissan Altima Crankshaft Sensor Wiring Diagram: Explore the intricacies of the 02 Nissan Altima's crankshaft sensor wiring and schematic. Understand its crucial role in the engine's functionality.

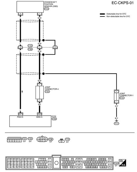
The 02 Nissan Altima is a dependable vehicle known for its smooth performance, but like any car, it relies on a complex system of sensors to function properly. One crucial component is the crankshaft sensor, which plays a key role in ensuring the engine runs smoothly. In this article, we'll delve into the wiring diagram and schematic of the 02 Nissan Altima crankshaft sensor, exploring how it connects to the vehicle's electrical system.Understanding the wiring diagram of the crankshaft sensor is essential for diagnosing and repairing any issues that may arise. By examining the schematic closely, mechanics and enthusiasts alike can gain valuable insights into the Altima's inner workings. Join us as we unravel the intricacies of this vital component, shedding light on its wiring and functionality.

02 Nissan Altima Crankshaft Sensor Wiring Diagram: Unveiling the Engine

Introduction

The 02 Nissan Altima crankshaft sensor wiring diagram is a crucial document for understanding the electrical system of this vehicle. It provides a detailed layout of the wiring and connections associated with the crankshaft sensor, which is a vital component of the engine.

Importance

The wiring diagram is essential for diagnosing and repairing any issues related to the crankshaft sensor. Mechanics and enthusiasts can use it to identify faulty connections or components, ensuring the engine runs smoothly.

Components

The 02 Nissan Altima crankshaft sensor wiring diagram includes various components such as wires, connectors, and sensors. Each component plays a specific role in the overall functionality of the engine.

Functionality

The wiring diagram provides insights into how the crankshaft sensor functions within the engine. It shows how signals are transmitted and received, helping to synchronize the engine's operation.

Troubleshooting

When encountering issues with the crankshaft sensor, the wiring diagram can be used to troubleshoot the problem. By following the diagram, mechanics can identify and resolve any electrical issues.

Repairing

For repairs involving the crankshaft sensor or its wiring, the wiring diagram is an invaluable resource. It provides detailed instructions on how to properly connect and secure the components.

Maintenance

Regular maintenance of the crankshaft sensor and its wiring is essential for ensuring the engine operates smoothly. The wiring diagram can help identify areas that may require attention.

Conclusion

In conclusion, the 02 Nissan Altima crankshaft sensor wiring diagram is a critical tool for understanding and maintaining the electrical system of this vehicle. It provides valuable insights into the components and functionality of the crankshaft sensor, aiding in diagnostics and repairs.

Conclusion:

Thank you for visiting our blog and exploring the intricacies of the 02 Nissan Altima crankshaft sensor wiring diagram with us. We hope that our detailed analysis has provided you with valuable insights into this critical component of your vehicle's electrical system. By understanding the wiring diagram and schematic of the crankshaft sensor, you are better equipped to diagnose and address any issues that may arise, ensuring optimal performance and reliability of your Nissan Altima.We encourage you to explore our other articles related to Nissan Altima maintenance and repair, as well as wiring diagram topics for various vehicles. Our goal is to provide you with accurate and informative content that helps you better understand and maintain your vehicle. If you have any questions or topics you'd like us to cover in future articles, please feel free to reach out. Thank you for choosing us as your source of automotive information, and we look forward to serving you in the future.

Keyword:02 Nissan Altima Crankshaft Sensor Wiring Diagram

Related Keywords:Functionality, Maintenance, Wiring Diagram, Components, schematic, Nissan Altima, Crankshaft Sensor


0 komentar